
릴레이에는 유접점만 있는 게 아닙니다.
지난 시간까지 총 4번의 포스팅으로 릴레이에 대한 내용 특히 유접점 릴레이에 대한 내용을 알아보았습니다. 이번 포스팅에서는 유접점 릴레이와 대척점에 있는 릴레이인 무접점 릴레이에 대해서 알아보겠습니다.
유접점 릴레이는 지난 포스팅을 참조해 주세요.
[공장 자동화/제어 이론] - 제어에 대해서 알아보자(3) - 유접점 릴레이 상편
제어에 대해서 알아보자(3) - 유접점 릴레이 상편
시퀀스 제어 중 유접점 제어에 주로 사용되는 릴레이가 뭐지?? 이번 포스팅에서는 지난 포스팅에의 시퀀스 제어의 개념과 세부분류에서 조금 더 세부적으로 들어가는 내용을 이야기해 보겠습니
datawizard.co.kr
[공장 자동화/제어 이론] - 제어에 대해서 알아보자(4) - 유접점 릴레이 중편 (a 접점 / b 접점)
제어에 대해서 알아보자(4) - 유접점 릴레이 중편 (a 접점 / b 접점)
a 접점? b 접점? 시퀀스 제어에서 자주 듣게 되는 접점이라는 것이 뭐지?? 이번 포스팅에서는 지난 포스팅 유접점 릴레이 상편에 이어서 하편을 준비했습니다. 분량 조절 실패와 글쓰기 시간제한
datawizard.co.kr
[공장 자동화/제어 이론] - 제어에 대해서 알아보자(5) - 유접점 릴레이 하편 / 릴레이 사양 확인
제어에 대해서 알아보자(5) - 유접점 릴레이 하편 / 릴레이 사양 확인
릴레이 하나로 언제까지 얘기하려고 하는지?? 유접점 릴레이로만 포스팅을 이어 나간지 벌써 3번째 시간입니다. 릴레이에 대한 내용을 정리해야겠다고 마음먹긴 했지만 이렇게 3편을 연달아 이
datawizard.co.kr
참고로 앞서 시퀀스 제어의 종류에 대해서 설명하였을 때 나온 개념인 무접점 제어와 이번 포스팅에서 이야기할 무접점 릴레이에서의 무접점은 같은 무접점이긴 하나 다른 내용입니다. (같은 무접점인데 다른 무접점이다 궤변 같지만 설명을 듣다 보시면 그 차이가 이해가 가실 것이라 생각됩니다.)
참고 : 시퀀스 제어 구분 포스팅
[공장 자동화/제어 이론] - 제어에 대해서 알아보자(2) - 시퀀스 제어
제어에 대해서 알아보자(2) - 시퀀스 제어
적절하게 잘 제어하긴만 하면 되지? 시퀀스 제어와 피드백 제어는 또 뭔데? 지난 포스팅에 이어서 오늘은 시퀀스 제어와 피드백 제어에 대해서 서술하는 포스팅을 진행하도록 하겠습니다. 제어
datawizard.co.kr
무접점 릴레이 본론으로 들어가겠습니다. 👍
무접점 릴레이(Solid State Relay, SSR)?
무접점 릴레이라는 이름에서도 유추할 듯이, 무접점 릴레이는 접점이 없는(!) 릴레이입니다.
앞서 유접점 릴레이를 설명하면서 우리는 릴레이 내 물리적인 접점(Contact) 이 있다는 내용을 이해하였습니다.
참조 :


하지만, 무접점 릴레이는 저런 물리적인 접점이 없습니다! 릴레이인데 물리적 컨택이 없다니, 저 역시 처음 들었을 때 그게 가능한 건가 싶을 정도로 의아했던 걸로 기억합니다.
흔히, 현장에서 무접점 릴레이라 불리는 제품의 정식 명칭은 Solid State Relay(SSR)이 되겠습니다.
해당 명칭을 인터넷에 찾아보면, 대략 이런 이미지가 나오는데요.


앞서 소개한 유접점 릴레이와 외형이 많이 다르다는 느낌이 드실 겁니다.
무접점 릴레이는, 기본적으로 유접점 릴레이와 같은 코일과 물리적 접점이 없는 대신에 TRIAC, MOSFET, 포토센서 발광부 & 수광부 등을 이용하여 신호를 받아 릴레이 출력을 내보내는 방식입니다. 이러한 이유로, 무접점 릴레이는 반도체 릴레이라는 이름으로도 불리곤 합니다.
또한, 기본적으로 무접점(반도체)을 이용한다는 측면에서 시퀀스 제어에서 나온 용어인 무접점 제어 방식과 같은 무접점을 사용한다고 이해하시면 되겠습니다.
과거 소개한 동영상에 무접점 릴레이의 원리에 대해서 시각적으로 훌륭히 설명하고 있습니다. 참고하시기 바랍니다. (4:56 경)
https://youtu.be/n594CkrP6xE?t=217
무접점 릴레이의 장점은?
물리적인 접점이 없다는 점에서, 무접점 릴레이는 유접점 릴레이에 비해서 몇몇 장점을 가지고 있습니다.
경험상 무접점 릴레이가 가진 장점으로는,
- 물리적인 접점의 이동시간이 없어 반응속도가 빨라, 고속의 응답이 요구되거나 고속의 반복 스위칭에 적합하다.
- 내구성 및 신뢰도가 높다.
을 들 수 있습니다.
실제 코일에 전원이 인가되고 나가고, 물리적 접점이 붙었다 떨어졌다를 하는 구조가 아니기에 빈번한 고속 스위칭을 요구하는 환경에 적합할 것이고, 물리적인 왕복운동이 없을 테니 기구적인 내구성 및 신뢰도 또한 높을 것이라 기대할 수 있을 것입니다. (참고로 유접점 릴레이는 내부의 접점의 동작을 육안으로 확인하기 위해 투명한 케이스인 경우가 대부분이지만, 무접점 릴레이는 불투명한 케이스로 되어 있는 것을 보실 수 있습니다. (위 사진 참조))
이러한 장점으로 인해, 현장에서 빈번하게 동작하게 되는 솔레노이드 밸브, 액츄레이터와 같은 기구에 전원을 인가할 때나, 히터 온도제어와 같은 곳에서 타이머, 온도 컨트롤러 등과의 조합으로 널리 사용되고 있습니다.
무접점 릴레이의 단점은?
단점이라고 하긴 뭐 하지만, 구조적인 혹은 태생적인 이유로 무접점 릴레이는 서로 다른 시스템을 연결하는 단순 스위치로 밖에 사용할 수 없습니다. 하나의 릴레이가 하나의 스위치(1a 접점) 밖에 없는 릴레이기 때문입니다.
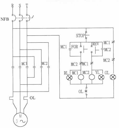
다르게 말하면, 무접점 릴레이로는 아래 예시의 유접점 제어를 구성할 수 없다는 뜻입니다.

물론, 패널미터, 컨트롤러, 타이머 등과 같은 다른 제품과 조합하여 시퀀스를 구성할 수 있으나, 무접점 릴레이 만으로 시퀀스를 구성하긴 제한이 있다는 의미입니다.
사실, 구조적인 이유이기 때문에 이것이 단점이라고 꼭 집어 말하긴 어려운 것 같습니다.
다만, 이러한 이유로 조작패널을 설계하거나 제작할 때는 반드시 이점을 감안해야 할 것입니다. 예를 들어, 무접점 릴레이가 좋다는 생각만으로, PLC 없는 릴레이 제어반 제작하면서 무조건 무접점 릴레이만 써서 만들어 달라고 하면 여러 사람이 난감해 할 수 있습니다.

참고로, 접점은 1a만 나오지만 DPST, 3PST 와 같이 극수는 여러 개가 가능한 제품이 있으니, 제품 선정에 참고하시기 바랍니다. ('ssr relay 3p'라고 검색해 보시면 관련 사항을 금방 확인하실 수 있으실 겁니다.)
마치며. 그래서 무접점 릴레이는 어디에 쓰는 게 좋은 거?
위에서 언급했지만, 단순히 고속/고빈도의 스위칭뿐만 아니라 높은 내구성과 신뢰도를 장점으로 가지고 있기 때문에 무접점릴레이가 가능하다면 무접점 릴레이를 사용하는 것이 좋다는 생각입니다. (비용에 대한 내용은 차치하도록 하겠습니다.)
예를 들어, PLC나 DCS 제어 시스템을 구성하였고, Solenoid valve를 조작하여 밸브나 액츄레이터를 동작하는 스위칭 기능만을 수행하거나, 히팅 시스템에서 히터의 온도 컨트롤 같은 빈번한 동작이 예상되는 시스템에서는 SSR을 적극 고려하는 것이 타당할 것이라 사료됩니다.
유접점 릴레이와는 구조적인 차이로 단순 스위치 기능으로만 사용이 가능하지만, 높은 신뢰도와 고속 환경에서의 적응성등은 사용자에게 많은 이점을 가져다줄 것이라 생각되기 때문입니다.
문의사항이나 오류는 메일로 연락 주시면 감사하겠습니다.
📧 simo@datawizard.co.kr
* 본 포스팅에서 언급된 모듈이나 제조사와 필자는 무관함을 알립니다.
도움이 되셨다면 왼쪽 아래 '💗' 클릭 부탁드립니다. 감사합니다.
'공장 자동화 > 제어 이론' 카테고리의 다른 글
| 제어에 대해서 알아보자(5) - 유접점 릴레이 하편 / 릴레이 사양 확인 (0) | 2023.09.16 |
|---|---|
| 제어에 대해서 알아보자(4) - 유접점 릴레이 중편 (a 접점 / b 접점) (0) | 2023.09.15 |
| 제어에 대해서 알아보자(3) - 유접점 릴레이 상편 (릴레이 개념) (0) | 2023.09.14 |
| 제어에 대해서 알아보자(2) - 시퀀스 제어 (0) | 2023.09.13 |
| 제어에 대해서 알아보자(1) - 자동제어 vs 수동제어 (1) | 2023.09.12 |